Suzhou Shengyifurui Electronic Technology Co.,Ltd.
Professional Manufactures 3A Two-pins Current Probe
About Us
SFENG was founded in 1984 and headquartered in Ningbo. It is a professional enterprise integrating research, development, production, and sales. ( big current probe on sales china ) Products include in-circuit spring test probe, semiconductor spring test probe, battery charging pogo pin and the related accessories. Products are widely used in technology, automobiles, energy, telecommunications, medical, and other peripheral electronic products.

Technical Parameters
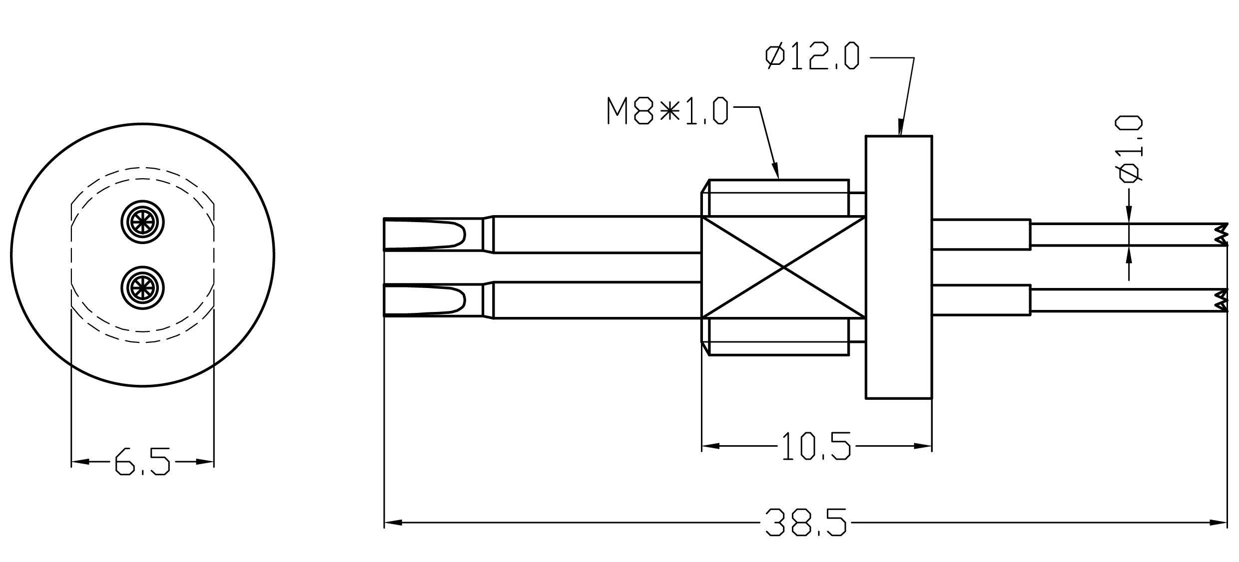
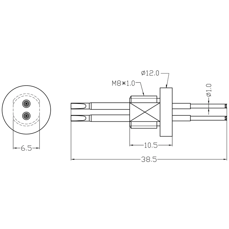
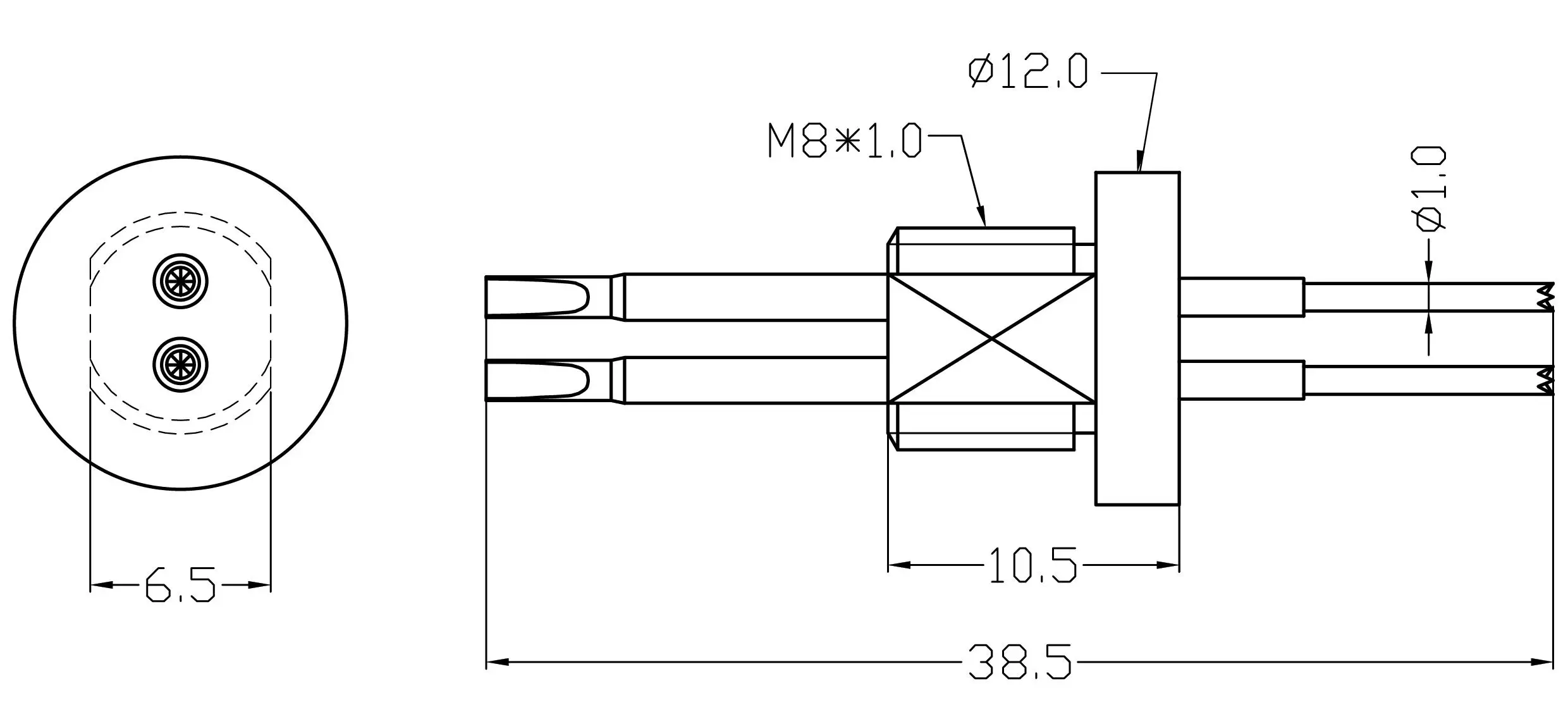
| Material | Copper Alloy |
| Surface Plating | Partial gold-plated over nickel |
| Mechanical Durability | ≥30000cycles |
| Operating Temperature | -40℃/+105℃ |
| Current Rating | 3A |
| Contact Resistance(lnitial) | ≤20mΩ |
| Maximum Travel | ≥5.0mm |
| Recommended Working Travel | 380g±20%(2.0mm) |
SFENG offers a variety of different high current battery testing probes.High current test probes are used in many industries and applications with high current, such as testing, functional testing, signal transmission, power supply, production and built-in contact elements.
Product Flow

Testing Equipment

Custom Visits

Packaging & Shipping


FAQ
1.What is terms of SFENG payment?
For the orders, we prefer 100% payment before the delivery. You can choose Wire transfer, Pay Pal. USD dollar, Japanese Yuan and RMB are accepted.
SFENG can send the goods out within 3 days after receiving the order. For customized products, we will adjust the lead time accordingly.
SFENG have skilled QC team and professional testing equipment. From the raw material to the finished products, we will make the testing. Only appearance, dimension, tips, spring force, plating and life span are checked ok by professional equipment. the goods can be sent to customers.
Yes, one of our main features is customization. Just providing the drawing, we will make the product specially for you.
SFENG can mainly provide 5 kinds of test probes, including in-circuit test probe, semiconductor test probes, battery contact pins, guide pins and related accessories.
Highly customized tea processing machine to meet your special needs, strictly product quality control is our requirement .